Ventilator de semineu Dospel KOM III 800 by-pass

Caracteristici ventilator industrial de semineu Dospel KOM III 800 by-pass:
- Ventilator pentru seminee ce poate transporta aer cald pana la 150 °C.
- Ventilatorul este conceput pentru distribuirea aerului cald prin conducte in mai multe incaperi simultan datorita echilibrului de presiune.
- BY-PASS a fost creat pentru a proteja motorul de supraincalzire, cand ventilatorul nu functioneaza. Astfel aerul fierbinte trece ocolind camera cu motorul, spre tubulatura.
- Ventilatorul este echipat cu motor pe rulment ce prelungeste durata de viata si reduce zgomotul.
- Nu necesita inspectii detaliate frecvente (nu mai rar de o data pe an).
- Sunt adaptate functionarii continue la temperaturi intre -20 °C si +150 °C.
- Turatia ventilatorului poate fi reglata cu ajutorul unui variator de turatie Dospel RN 300 sau RP 300 ce se poate achizitiona separat.
- Alimentare ventilator 220-240 V.
- Corpul ventilatorului este fabricat din otel galvanizat.
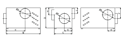
 |
| Sizes |
ØA |
B |
C |
D |
E |
F |
G |
H |
J |
K |
| mm |
149 |
470 |
282 |
333 |
135 |
205 |
97 |
115 |
97 |
270 |
|
Mod montare ventilator semineu KOM III By-pass
|
Diagrama debit aer ventilator semineu KOM III By-pass
|
| 1. Clapeta sens tip fluture;2. Ventilator semineu;3. Clapeta sens tip fluture;4. Retea distributie;5. Piesa T (teu);6. Tubulatura;7. Grila metalica/Anemostat;8. Cos de fum. |
 |
 |
Ventilatorul industrial de semineu Dospel KOM III 800 by-pass este un ventilator profesional pentru distribuirea aerului cald prin conducte, provenit de la un semineu. Temperatura maxima de lucru a ventilatorului este de 150°C, clasa de protectie [IP] 54, izolare electrica clasa I. Acest ventilator este echipat cu motor pe baza de rulmenti cu rotor exterior, ce asigura functionarea indelungata a ventilatorului si permite montarea acestuia in orice pozitie. Pentru mai multe specificatii tehnice despre Ventilatorul industrial de semineu Dospel KOM III 800 by-pass consultati tabul "Specificatii tehnice".